网站首页
公司简介
产品展示
新闻动态
资质荣誉
车间环境
销售网络
联系我们
服务项目
管式反应器
液氯汽化器
管道设备系列产品
洗眼器
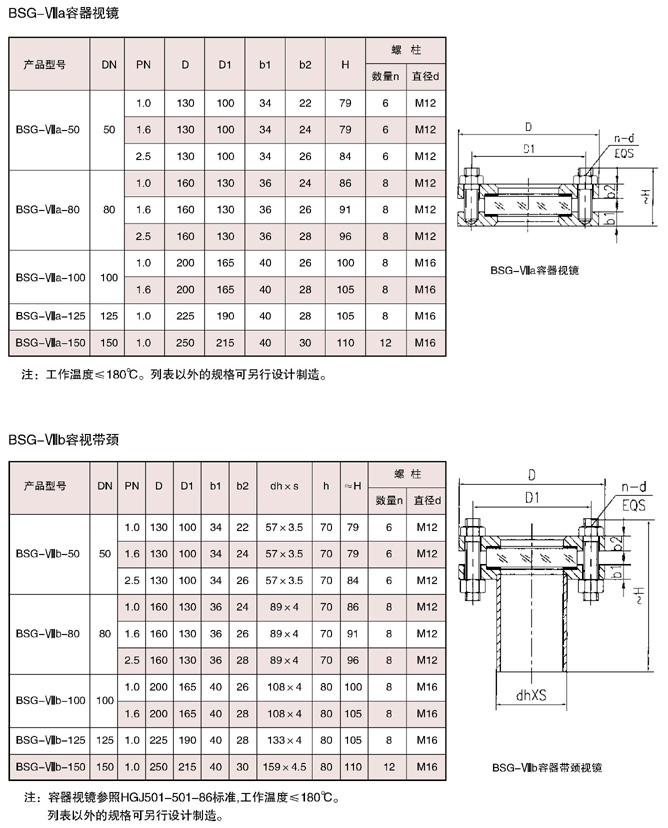
视镜
阻火器
混合设备系列产品
喷射混合器
静态混合器
汽水混合器
混合机
搅拌机
过滤设备系列产品
Y/T型篮式过滤器
反冲洗过滤器
自清洗过滤器
过滤器
空气过滤器
高效磁式过滤器
离子交换器
专用设备系列产品
喷射器
捕捉器/计量箱/脱气塔
加药装置
除尘器
点阀箱
取样冷却器
在线式采样器
密闭式采样器
罐下采样器
消音器
排水器
硫封器
联系我们
南通昊一机械装备科技有限公司
电 话:0513-83610880
手 机: 189-2167-5098
联系人:薛建辉
地 址:启东市汇龙镇和平南路306号
产品展示
当前位置:
网站首页
> 产品展示
BSG型视镜